رگولاتور ولتاژ چیست؟ آشنایی کامل با ولتاژ رگولاتور ها

رگولاتور (تنظیم کننده) ولتاژ قطعه ای است که ولتاژ های نوسانی در ورودی خود را به یک ولتاژ مشخص و پایدار در خروجی تبدیل می کند. تنظیم کننده های ولتاژ ممکن است مکانیکی، AC ،DC و الکترونیکی باشند. در این مقاله، ما قصد داریم رگولاتور های خطی الکترونیکی DC را بررسی کنیم. پیشنهاد میکنم مقاله رگولاتور جریان را هم بخوانید.
کاربرد رگولاتور ها
اکثر مدار ها به ولتاژ تغذیه ای نیاز دارند که مستقل از مقدار جریان مصرفی باشد. حتی یک ولتاژ اضافی کوچک می تواند مخرب باشد و به همین دلیل است که باید از تنظیم کننده ها استفاده شود. رگولاتور ها در از بین بردن صدای وزوز در تقویت کننده های صوتی نیز کمک بسیاری می کنند. در ژنراتور های سیگنال یا اسیلاتور ها، فرکانس خروجی با ولتاژ تغذیه متفاوت خواهد بود و باید به خوبی تنظیم شود تا ثابت بماند.
انواع رگولاتور
سه کلاس یا نوع اصلی از رگولاتور ها وجود دارد: رگولاتور های مثبت که مربوط به ولتاژ ورودی مثبت است، رگولاتور های منفی که مربوط به ولتاژ ورودی منفی است و رگولاتور های ولتاژ دوگانه که مربوط به تنظیم هر دو(ولتاژ منفی و مثبت) هستند، به عنوان مثال، یک مدار op-amp. و در آخر، رگولاتور های قابل تنظیمی که در آن هر یک از موارد بالا ممکن است وجود داشته باشد، اما دارای یک دکمه کنترل برای تغییر ولتاژ خروجی در صورت تقاضا است.
رگولاتور ساده زنر
یک زنر نوعی دیود است که، وقتی در بایاس معکوس خود قرار می گیرد (مطابق شکل زیر)، شروع به “خراب شدن” یا هدایت در یک ولتاژ خاص می کند که ولتاژ زنر نامیده می شود. هنگامی که دیود زنر شروع به هدایت می کند، جریان متوقف نمی شود، بنابراین یک مقاومت (R1 نشان داده شده در زیر) لازم است تا جریان را به یک مقدار ایمن محدود کند.

در رگولاتور ساده فوق، Vin=12v و Vout=5v و I=10mA است. بدون زنر R1 برابر مقدار زیر خواهد بود.
R = V / I = 12-5 / 0.01 = 700Ω
با این حال، هیچ تنظیمی وجود نخواهد داشت، زیرا دیود زنر هیچ هدایتی انجام نمی دهد. با استفاده از قاعده کلی، زنر باید دو تا پنج برابر جریان بار، مثلاً 50 میلی آمپر، هدایت کند. با توجه به این مقدار، باید I = 50 + 10 = 60mA باشد، بنابراین مقدار R1 بصورت زیر بدست می آید:
R1 = 7 / 0.06 = 116Ω
با این حال، مشکل این است که اتلاف توان در R1 و D1 برای جریان های بار بزرگ بیش از حد خواهد بود. اما این یک مدار کاملاً مناسب برای تبدیل سطوح سیگنال برای ماژول های 5 ولت به 3.3 ولت است.
زنر به عنوان منبع و ترانزیستور Q1

در اینجا ما از یک زنر به عنوان منبع و از ترانزیستور Q1 به عنوان رگولاتور سری استفاده می کنیم که کار سختی را انجام می دهد. R2 ولتاژ بایاس را برای روشن کردن Q1 فراهم می کند و یک جریان بسیار کوچک از طریق زنر D2 ایجاد می کند. اگر Vout برابر 5 ولت باشد، مقدارافت ولتاژ بیس-امیتر یعنی 0.6 ولت به آن اضافه می شود، بنابراین D2 به 5.6 ولت نیاز دارد. و R2 اکنون باید جریان کلکتور ترانزیستور را تأمین کند (1000A). برای منبع 1 آمپر، 1/1000=10mA، و R2 = 12-5.6 / 0.01 = 640Ω به علاوه کمی جریان برای دیود زنر در نظر گرفته می شود که مقدار نهایی R2 برابر 560Ω می شود.

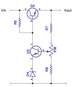
اما این مقدار هنوز هم جریان زیادی را برای گرم کردن زنر هدر می دهد. بنابراین، اکنون Q5 و یک شبکه فیدبک را برای ایجاد یک مدار مفید از Vout اضافه کرده ایم. D4 زیاد حیاتی نیست و می تواند در محدوده 1 ولت تا 4 ولت قابل تنظیم باشد. همانطور که Vout (ولتاژ خروجی) سعی دارد از ولتاژ بیس-امیتر Q5 +0.6+D4 فراتر رود، شروع به گرفتن جریان از بیس Q4 می کند تا ولتاژ را تثبیت کند. R6 اکنون می تواند مقدار قابل توجه تری داشته باشد و حیاتی نیست زیرا با 1k هم عملکرد خوبی دارد. R7 و R8 نیز تنظیم را انجام می دهند.
اجازه دهید یک قدم جلوتر برویم و از برخی محافظت های اضافه جریان استفاده کنیم.

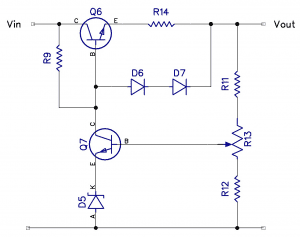
افت ولتاژ در D6 و D7 همیشه برابر 0.6 + 0.6 = 1.2V خواهد بود و Vbe از Q6 نیز 0.6V است. به عنوان مثال، اگر R14 را با دقت مطابق با نقطه مورد نظر برای جلوگیری از هرگونه اضافه جریان انتخاب کنیم (2A در نظر بگیریم)، هنگامی که ولتاژ در R14 برابر 1.2 ولت می شود، D6 و D7 جریان را از پایه Q6 می گیرند و اجازه نمی دهند جریان بیشتر از 2A داشته باشد.
مقدار R14 به این صورت بدست می آید، R14 = 1.2 / 2 = 0.6Ω
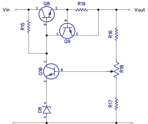
اما هنوز راه دیگری وجود دارد که می توانیم از جریان های بزرگ دیود ها جلوگیری کنیم.

ما دیودها را با Q9 جایگزین کردیم. برای روشن کردن و ایجاد محدودیت در جریان، 0.6 ولت مورد نیاز است. برای جریان 2A، این می تواند برابر مقدار زیر باشد.
R19 = 0.6 / 2 = 0.3Ω .
رگولاتور سه پایه ولتاژ ثابت

در اینجا، ما از یک رگولاتور سه پایه ولتاژ ثابت برخوردار هستیم. این ها در ولتاژ های مناسب، 7805 = 5V 7809 = 9V و.. ، از جمله 7812، 7815، 7824 و نسخه های منفی آن یعنی 7905 7909 و … وجود دارند. نباید C4 و C10 را با خازن های صاف کننده اشتباه گرفت. آن ها برای نویز و پایداری هستند و باید دارای ESR کم (مقاومت سری معادل) باشند. C4 معمولاً برابر 10uF و C10 =1uF است. دیود D9 برای تخلیه هر ظرفیت بزرگی در بار رو به عقب استفاده میشود تا از بایاس معکوس شدن رگولاتور در زمانی که ورودی (input) برابر LOW میشود جلوگیری کند.
رگولاتور سه پایه قابل تنظیم

و سرانجام، با یک رگولاتور سه پایه قابل تنظیم LM317 و نقطه مقابل منفی آن LM337، به پایان این مطلب می رسیم. C2 برای نویز است و می تواند 1uF باشد. نسبت R20 و R23 ولتاژ خروجی را تنظیم می کند. آن ها می توانند دو مقاومت ثابت یا یک پتانسیومتر قابل تنظیم باشند. R20 به عنوان یک 240Ω غیر استاندارد نشان داده شده است، اما اگر آن را به یک استاندارد 220Ω تبدیل کنید، برای هر ولتاژ بین Vmax و Vmin مقدار R23 بصورت زیر بدست می آید:
(176 * Vout) – 220
بنابراین اگر 9 ولت در خروجی می خواهید، R23 می تواند یک مقدار ثابت باشد، یعنی 176 * 9 – 220 = 1364. توجه داشته باشید همانطور که منبع داخلی 1.25 ولت به عنوان کمترین میزان رگولاتور است، حداقل به 2 ولت ولتاژ بین ورودی و خروجی نیاز دارد و حداکثر ولتاژ آن 32 ولت است بنابراین می تواند از 1.2 ولت به 30 ولت تنظیم کند. R23 را 10k درنظر بگیرید.
توان اتلافی در رگولاتور برابر (Vin-Vout) * Iout است. بنابراین برای یک ولتاژ 12 ولت در ورودی و 5 ولت در خروجی با 1 آمپر، توان برابر مقدار زیر است.
(12-5) * 1 = 7W
این به این معنی می باشد که رگولاتور وقتی روی کمترین ولتاژ خروجی تنظیم می شود، بیشترین میزان مصرف توان را دارد.
اگر بیشتر از 1 آمپر از رگولاتور جریان بگیرید یا به هنگامی که با انگشتان خود آن را لمس می کنید خیلی داغ باشد، به هیت سینک نیاز دارد. می توانید آن را روی بدنه جعبه آلومینیومی که استفاده می کنید و یا روی قطعه ای از آلومینیوم تخت یا بهتر از آن، روی یک هیت سینک با اندازه مناسب نصب کنید. شما باید بتوانید بدون اینکه دست یا انگشتان خود را بسوزانید، رگولاتور را راحت نگه دارید.









