ساخت مبدل DC به DC با کنترل جریان ثابت و ولتاژ ثابت

در این مطلب، درباره امکانات و عملکرد XL4015 که یک مبدل باک DC به DC (5 آمپر، 180 کیلوهرتز، 36 ولت) است، نکاتی را می آموزیم. همچنین تمامی قطعات را از ماژول خارج میکنیم. شماتیک را کاملا مهندسی معکوس کرده و از روی آن PCB را طراحی کرده و میسازیم.
به این شکل میتوانیم قطعات را از نو سفارش داده و خودمان PCB را بسازیم. به علاوه ماژول را تست کرده و تمامی پارامترهای موجود در دیتاشیت را با واقعیت مقایسه میکنیم تا ببینیم به درستی درج شده اند یا خیر. حال دیگر به جای مقدمه چینی، سراغ پروژه خود میرویم.
امکانات ماژول مبدل باک XL4015 DC-DC
یک مبدل جریان ثابت (CC) و ولتاژ ثابت (CV) میتواند در موقعیت های مختلفی کارآمد و مفید باشد. برای مثال اگر قصد شارژ یک باتری لیتیومی با جریان ثابت را دارید، میتوانید با استفاده از این ماژول کار خود را به راحتی انجام دهید. به علاوه، اگر در حین آزمایش یک مدار هستید و آن را برای اولین بار روشن میکنید، توصیه میشود که از یک جریان ثابت استفاده کنید تا در صورت وجود هر گونه اشتباه در پروسه ساخت، آسیب وارده به مدار محدود شود.

میتوانید در تصویر بالا مشاهده کنید که ابتدا کانکتور ورودی DC را داریم که به منبع تغذیه رگوله نشده یا تنظیم نشده متصل است. سپس، دو پتانسیومتر 10 کیلواهمی داریم که به منظور تنظیم سطح جریان و ولتاژ ثابت استفاده میشوند. همچنین سه لامپ LED نشانگر روی بورد موجود هستند: لامپ اول در نزدیکی کانکتور ورودی است. این لامپ، قرار گرفتن ماژول در مدکاری جریان ثابت را نشان میدهد. درحالیکه دو لامپ دیگر در نزدیکی خروجی قرار گرفته و عمدتا مربوط به وضعیت شارژ باتری هستند. این دو لامپ نشانگر، “در شارژ بودن باتری” یا “شارژ کامل” آن را نشان میدهند.
به جز موارد ذکرشده، بازه ولتاژ ورودی این تراشه 8 تا 36 ولت و ولتاژ خروجی دستگاه 1.25 تا 32 ولت است. در صورت اتصال ماکزیمم بار به ماژول، PWM این دستگاه میتواند به 100 درصد چرخه کار یا Duty Cycle برسد. در این شرایط، ماژول با فرکانس کاری 180 کیلوهرتز کار میکند.
جریان خروجی ثابت ماژول 5 آمپر بوده و میتواند درحین کار به 96 درصد مقدار نامی برسد.
از میان قابلیت های حفاظت دستگاه، این ماژول دارای قابلیت thermal shutdown (در صورت بیش از حد گرم شدن ماژول، آن را خاموش میکند)، حفاظت اتصال کوتاه و قابلیت محدودسازی جریان است.
قطعات استفاده شده در مبدل باک DC-DC
پیش از اینکه نگاهی به شماتیک بیندازیم، در این قسمت لیستی از قطعات موردنیاز برای ساخت مدار مبدل باک XL4015 را مطالعه میکنیم. قطعه اصلی این بورد، تراشه مبدل باک XL4015 است. این تراشه، دارای 5 پایه است و توسط XLSEMI که یک سازنده شناخته شده در چین بوده و برای تولید تراشه مبدل های باک و بوست معروف است، طراحی و ساخته شده است.
لیست قطعات موردنیاز برای ساخت مدار مبدل باک 5 آمپر در این قسمت آورده شده است:

- یک عدد تراشه مبدل باک XL4015
- یک عدد رگولاتور ولتاژ 78L05
- یک عدد آپ امپ LM358
- یک عدد دیود شاتکی SS54
- یک عدد رفرنس متغیر و برنامه پذیر TL431
- دو عدد خازن 470 میکروفارادی 35 ولت
- دو عدد خازن 10 میکروفارادی 0805
- دو عدد پتانسیومتر تریمر Ten Turns 10 کیلواهمی
- سه عدد خازن 0.1 میکروفارادی
- یک عدد مقاومت 270R
- دو عدد مقاومت 1 کیلواهمی
- یک عدد مقاومت 2.2 کیلواهمی
- یک عدد مقاومت 10 کیلواهمی
- یک عدد مقاومت 71.5 کیلواهمی
- یک عدد مقاومت 90.9 کیلواهمی
- سه عدد LED 0805
- دو عدد ترمینال پیچی
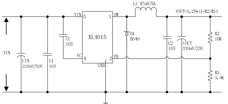
مداراتصال مبدل باک XL4015 5A
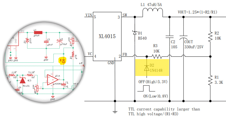
شماتیک مبدل باک در تصویر زیر نشان داده شده است. همانگونه که میتوانید مشاهده کنید، درک این شماتیک کار آنچنان سختی نیست و طراحی کلی ماژول درواقع بسیار مرتب و هوشمندانه است. دیاگرام شماتیک ماژول را در تصویر زیر میبینید.

عملکرد این مدار به طور همزمان هم ساده و هم سخت است. اگر دیتاشیت ماژول مبدل باک XL4015 5A را بررسی کنیم، میتوانیم شماتیک معمولی و کاربردی این ماژول را ببینیم که در تصویر زیر نیز آورده شده است.

حال با مقایسه این شماتیک و شماتیک خودمان، میتوان دریافت که این دو دیاگرام بسیار به هم شبیه هستند. زیرا که شماتیک های قسمت رگولاتور باک یکسان بوده و تنها تفاوت آن ها، این است که شماتیک بالا در محدودسازی جریان عملکرد بهتری از خود نشان میدهد.
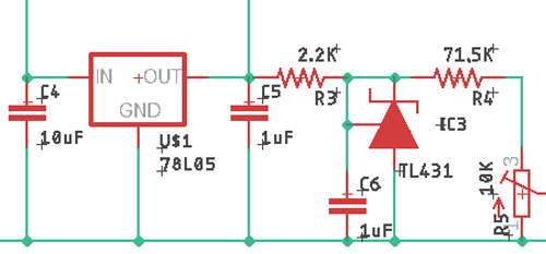
حال بیایید بررسی کنیم که عملکرد محدودسازی جریان چگونه است. میتوانید در شماتیک مشاهده کنید که یک رگولاتور ولتاژ 78L05 داریم. این قطعه یک رگولاتور فوق کم مصرف است. برای تبدیل ولتاژ ورودی به ولتاژ ثابت 5 ولت از تراشه TL431 استفاده میشود. TL431 یک رفرنس است که به کمک یک مقاومت 71.5 کیلواهمی و یک پتانسیومتر، در مدکاری رگولاتور جریان ثابت تنظیم شده است. این ولتاژ رفرنس جهت محدودسازی جریان، با ولتاژ حس شده سمت خروجی مقایسه میشود. مدار نشان داده شده در تصویر زیر، مدار TL431 است که منبع جریان ثابت را برای آپ امپ ها تامین میکند.

در ادامه، بخش آپ امپ اول را بررسی میکنیم. این بخش از مدار درواقع برای محدودسازی جریان استفاده میشود. در این بخش، ولتاژ حس شده خروجی با ولتاژ رفرنس تراشه TL431 مقایسه میشود. در ادامه اگر ولتاژ حس شده خروجی از ولتاژ رفرنس بیشتر باشد، خروجی آپ امپ HIGH شده و با خاموش شدن مدار، خروجی تراشه نیز خاموش میشود.

درتصویر بالا دو مدار کاربردی و عملی را از روی دیتاشیت ماژول به شما نشان داده ایم.در مدار عملی، سازنده به جای دیود از یک LED استفاده میکند. این LED نه تنها مانع جریان معکوس است بلکه در زمان فعال بودن قابلیت محدودسازی جریان، روشن میشود.

درادامه، به بخش نهایی میرسیم. این بخش از مدار در نمایش وضعیت های “درشارژ بودن” و “شارژ کامل” ماژول کاربرد دارد. دراین مدار هنگامیکه باتری به طور کامل شارژ شده است، خروجی LOW شده و LED نشانگر شارژ کامل روشن میشود. حال اگر باتری درحال شارژ باشد، LED دیگر برای نمایش درشارژ بودن باتری روشن میشود.
ساخت دوباره PCB برای مبدل باک X4015
از آنجاییکه شماتیک مدار را خودمان ساختیم، فکر کردیم که بار دیگر یک PCB برای ماژول های مبدل باک طراحی کنیم و همین کار را نیز انجام دادیم. ابعاد آن 25 در 500 میلی متر است. میتوانید ابعاد PCB را در تصویر زیر مشاهده کنید.

سپس برای مشخص کردن قسمت بالایی و پایینی PCB (Top & Bottom layers)، ازقابلیت Manufacturing نرم افزار eagle استفاده کردیم. نتیجه کار را در تصویر زیر مشاهده میکنید.

درتصویر بالا، قسمت بالایی (Top layer) نشان داده شده است و در تصویر زیر قسمت پایینی (Bottom layer) را مشاهده میکنید.

بخش مربوط به طراحی PCB دراینجا تمام میشود. شما میتوانید فایل گربر پروژه را با کلیک بر لینک داده شده دانلود کنید.
تست ماژول مبدل باک XL4015 DC-DC
برای شروع آزمایش ابتدا ماژول مبدل باک را به منبع تغذیه و سپس خروجی را به بار DC متصل میکنیم. برای تست مدار یک بار را روی مقدار ثابت 1 آمپر تنظیم کرده ایم.

درحالیکه مدار کار میکرد، جریان ثابت را مطابق دیتاشیت روی 5 آمپر تنظیم کردیم.

این ماژول توانست جریان 5 آمپر ثابت را تحویل دهد که با درنظر گرفتن اندازه اش بسیار تاثیربرانگیز بود. این مدار را به مدت 5 دقیقه آزمایش کردیم. مدار کاملا عالی عمل کرد.

درادامه، مدار را برای شرایط اتصال کوتاه تست کردیم. طبق گفته های دیتاشیت این ماژول دارای قابلیت درونی حفاظت دربرابر اتصال کوتاه است. ما هم این گفته را آزمایش کردیم. مدار این بار هم کاملا عالی کار کرد.
مشکلاتی که در حین تست مبدل باک با آن ها مواجه شدیم
درحال تست مدار، به مشکل بزرگی در کار با بعضی از این ماژول ها برخوردیم. الآن که این مطلب را مینویسم، 10 ماژول در آزمایشگاه داریم. اما تنها بعضی از آن ها کار میکنند و بعضی دیگر نه. این موضوع ما را بسیار گیج کرد.

اما راه حل این مشکل بسیار ساده است. یک خازن 1 میکروفارادی به PCB متصل کردیم و ماژول بدون هیچ مسئله ای کار کرد. به جز این مورد، مشکل دیگری در بورد ماژول نیافتیم.
نتیجه گیری
من این مدار را با ولتاژهای ورودی و خروجی بسیار و بارهای متفاوتی آزمایش کردم و کارایی آن را ارزیابی کردم. تمام آزمایشات بدون هیچ مشکلی پیش رفتند. میتوان گفت که XL4015 برای پروژه های آزمایشی و شارژ باتری، یک ماژول بسیار مفید و مقرون به صرفه است.









سلام وقت بخیر
آیا پی سی بی آماده این مبدل برای خرید موجود هست؟
سلام و تشکر ممنون از توضیحاتتون
فایل گربر پروژه رو از کجا میشه دانلود کرد؟
لینکی براش موجود نیست
سلام و تشکر از زحمات حضرت عالی
خازن 1میکرو فارادی نه در شماتیک شما موجود است و نه در pcb اگر توضیح فرمایید ممنون میشوم